Y系列电机适用于不含易燃, 易爆或腐蚀性气体的一般场所和无特殊要求的机械上 , 如:金属切削机床, 泵, 风机,运输机械,搅拌机,农业机械,食品机械等。由于电动机有较好的起动性能,因此也适用于某些对起动转矩有较高要求的机械,如压缩机等。本系列电动机可根据用户的要求进行派生制造,如电压可做成220V,380V、200V、346V、600V、380V、660V。频率可做成50Hz或60Hz,转速可制成单速,多速。 还可制成防潮,防霉, 湿热带或用户型防爆增安型等特殊要求的电动机。
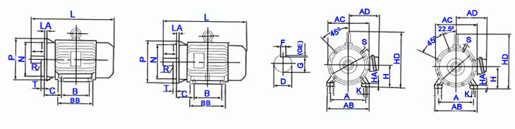
外形及安装尺寸:
技术数据:
津公网安备 12010402001208号
不良信息举报邮箱:tjbstcl@163.com 涉未成年举报邮箱:tjbstcl@163.com 不良信息举报电话:022-22973003
中央网信办互联网违法和不良信息举报中心:www.12377.cn 天津市互联网违法和不良信息举报中心:tjjubao@tj.gov.cn www.qinglangtianjin.com